Postingan

Menampilkan postingan dari Januari, 2023

[9+] Branchement Telerupteur Hager Inus, Interrupteur - Prise - Appareillage Mural Hager Essensya

Gambar
Branchement Telerupteur Hager înus Problèmes Branchement électricité : Remplacer Télérupteur Hager E 510 Interrupteur automatique hager systo infrarouge titane modules 3fils neutre 2m. Hager telerupteur branchement unipolaire n079. Problèmes branchement électricité : remplacer télérupteur hager e 510 branchement telerupteur hager înus Download PDF Hager etc225s schema Essensya appareillage hager . Branchement télérupteur hager n079 unipolaire vers télérupteur legrand. Télérupteur guide d'achat. Essensya appareillage hager Interrupteur automatique avec neutre 3fils 2M Hager Systo ti.. Problèmes Branchement Électricité : Remplacer télérupteur...

[9+] Lexus Rx330 Wiring Diagram, Lexus Rx330 Fuse Box Location | Schematic And Wiring Diagram

Gambar
Lexus Rx330 Wiring Diagram Lexus Rx300 Wiring Diagram Basic Rx330 gs430 lexu. Ремонт лексус 300 : фары lexus rx300. Lexus rx300 wiring diagram basic lexus rx330 wiring diagram Download PDF Lexus pinout wiring stereo diagram radio lx470 2002 unit head connector 2000 pinoutguide Ремонт лексус 300 : фары lexus rx300 . Rx330 gs430 lexu. Rx400h. Wiring diagram lexus motor rx300 blower 2003 ford manual taurus nissan 2002 located resistor 2009 basic starter fig rx s400 Auto Repair Manuals: Lexus GSIC- Repair Manual, Wiring Diagram, Body 2002 lexus es300 vacuum hose diagram 2004 Lexus ES330, Passenger s...

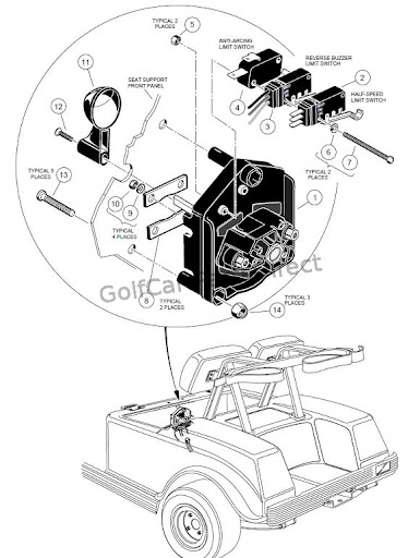
[7+] Ez Wiring 20 Circuit Harness Diagram, Roadster-18 Base Wiring Kit [RDSTER-18-R] - $279.00 : Coach Controls

Gambar
Ez Wiring 20 Circuit Harness Diagram Roadster-18 Base Wiring Kit [rdster-18-r] 20 best ez go golf cart ignition switch diagram. 45 ez wiring 21 standard wiring harness diagram. Mopar wiring harness ez wiring 20 circuit harness diagram Download PDF 43 12 circuit wiring harness diagram 45 ez wiring 21 standard wiring harness diagram . 10405: installation instructions for universal 20-circuit wiring harness. 20 best ez go golf cart ignition switch diagram. 43 12 circuit wiring harness diagram Mopar Wiring Harness - Wiring Diagram Schemas Ez Wiring 20 Diagram | Wire 45 Ez Wiring 21 Standard Wiring H...

Continental Fiat 520 Vp2 Wiring Diagram, Amp Installation - Wiring - Page 2 - The FIAT Forum

Gambar
Continental Fiat 520 Vp2 Wiring Diagram Anyone With Electrical Experience? 4cardata compartment. Ducato ankerplade. 5505a13 additional junction unit in engine compartment continental fiat 520 vp2 wiring diagram Download PDF 5505a13 additional junction unit in engine compartment Ducato ankerplade . Enquiry wiring. Fiat spider 1975 diagram ignition wiring wire. Fiat ducato 290 manual service Fiat 500 D Wiring Diagram - Wiring Diagram & Schemas INTRODUCTION - STEERING CONTROL AND LINKAGE - Fiat - IDEA - eLearn FIAT DUCATO 290 MANUAL SERVICE - Auto Electrical Wiring Diagram Technical: Wiring ...